آب از ورودی بدن متر وارد کنتور می شود و بر چرخ پره در نوک تیغه های پره تأثیر می گذارد تا چرخش آن شود. چرخش چرخ پره (متناسب با سرعت جریان آب) به طور مستقیم به چرخ دنده مرکزی در رجیستری خلاء توسط اتصال مغناطیسی منتقل می شود. رجیستری مهر و موم شده به طور کلی و نشانگر حجم آب عبور از متر است.
* برای آب گرم یا سرد
* کوچک ، سبک
* بدن برنجی یا بدنه پلاستیکی ، اختیاری
* بدنه برنجی را می توان رنگ یا روکش نیکل کرد
* دقت بالا
* واحد پالس (سوئیچ نی) برای سیستم های بازخوانی از راه دور
* پالس استاندارد 1 در هر 10 لیتر
* برای اندازه گیری مصرف آپارتمان های فردی
* برای نصب افقی و عمودی
* ISO4064: 1993 کلاس B/کلاس C
* ISO4064: 2005 R80/R160
شرایط کار
<0.063MPa(R80/R100)
دقت
|
اسمی
اندازه DN (MM) |
کلاس
اندازه گیری |
بیش از حد
میزان جریان QS (M3/H) |
دائمی
میزان جریان QP (M3/H) |
انتقالی
میزان جریان qt (l/h) |
حداقل
میزان جریان qmin (l/h) |
|
15
|
B
|
3
|
1.5
|
120
|
30
|
|
20
|
B
|
5
|
2.5
|
200
|
50
|


|
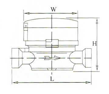
اندازه
(میلی متر)
|
طول (میلی متر)
L
|
عرض (میلی متر)
W
|
قد (میلی متر)
H
|
نخ اتصال
D
|
وزن
(کیلوگرم)
|
|
15
|
110
|
77
|
73
|
G 3/4 B
|
0.57
|
|
20
|
165
|
77
|
80
|
G 1 B
|
0.67
|


تصاویر جزئیات




اصل کار
آب از طریق ورودی وارد بدن متر می شود و توسط یک کانال جریان ویژه هدایت می شود تا یک جت آب متمرکز و متمرکز تشکیل شود. این جت آب پر سرعت بر پروانه تأثیر می گذارد و باعث چرخش آن می شود. سرعت چرخش پروانه متناسب با سرعت جریان آب است. حرکت چرخشی سپس برای جمع آوری و نمایش حجم کل آب عبور از کنتور به مکانیسم پیشخوان منتقل می شود.
ویژگی های محصول
ساخت ساده: در مقایسه با کنتورهای آب چند جت ، اجزای داخلی کمتری دارد و این باعث می شود تولید آسانتر و هزینه های کمتری داشته باشد.
مناسب برای سناریوهای جریان کوچک: در اندازه گیری جریان های آب کوچک و متوسط ، با حساسیت خوبی در سرعت کم جریان ، عملکرد خوبی دارد و باعث می شود آن را برای سناریوها با استفاده از آب نسبتاً پایدار مناسب کند.
اندازه فشرده: ساختار کلی ساده تر است و فضای کمتری را اشغال می کند ، که برای نصب در خطوط لوله باریک یا فضاهایی با شرایط نصب محدود مناسب است.
مقرون به صرفه: با توجه به فرآیند تولید ساده و قطعات کمتر ، هزینه های تولید و نگهداری نسبتاً کم است و آن را به یک انتخاب مقرون به صرفه برای نیازهای اساسی اندازه گیری آب تبدیل می کند.
استانداردهای فنی
شبیه به کنتورهای آب چند جت ، کنتورهای آب تک جت نیز مطابق با استانداردهای بین المللی مانند ISO 4064 است و از دقت اندازه گیری و ثبات عملکرد آنها اطمینان می دهد. سطح صحت آنها معمولاً برای برآورده کردن الزامات سناریوهای مختلف برنامه به درجه های مختلف طبقه بندی می شود.
سناریوهای کاربردی
این ماده عمدتاً در محیط های مصرف آب در مقیاس کوچک مانند خانواده های انفرادی ، آپارتمان های کوچک یا سیستم های آبرسانی کم جریان کاربرد دارد. با این حال ، با توجه به ویژگی های یک جت آب منفرد ، ثبات اندازه گیری آن تحت نوسانات جریان بزرگ نسبت به کنتورهای آب چند جت کمی پایین تر است ، بنابراین در سناریوهایی با جریان آب بزرگ و ناپایدار کمتر مورد استفاده قرار می گیرد.
تگ های محبوب: متر آب جت تک ، تولید کنندگان آب جت تک جت ، تولید کنندگان

















